おかげさまで開設25周年WWW.PIRAGUISMOCANTABRO.ES 創業祭

WWW.PIRAGUISMOCANTABRO.ES

詳しくはこちら
マイストア マイストア 変更
  • 即日配送
  • 広告
  • 取置可能
  • 店頭受取

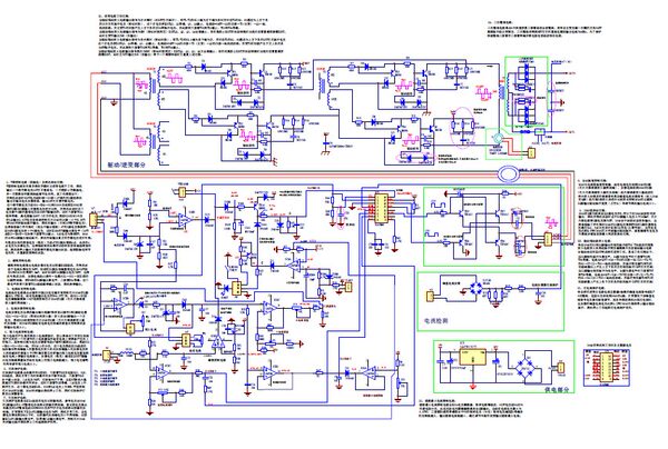
HOT ! 43un700 基盤一式 Qingdao model ZX7-400 single-tube IGBT inverter manual welding

※WWW.PIRAGUISMOCANTABRO.ES 限定モデル
YouTuberの皆様に商品の使い心地などをご紹介いただいております!
紹介動画はこちら

ネット販売
価格(税込)

7500

  • コメリカード番号登録、コメリカードでお支払いで
    コメリポイント : 3ポイント獲得

コメリポイントについて

購入個数を減らす
購入個数を増やす

お店で受け取る お店で受け取る
(送料無料)

受け取り店舗:

お店を選ぶ

近くの店舗を確認する

納期目安:

13時までに注文→17時までにご用意

17時までに注文→翌朝までにご用意

受け取り方法・送料について

カートに入れる

配送する 配送する

納期目安:

2026.02.25 13:25頃のお届け予定です。

決済方法が、クレジット、代金引換の場合に限ります。その他の決済方法の場合はこちらをご確認ください。

※土・日・祝日の注文の場合や在庫状況によって、商品のお届けにお時間をいただく場合がございます。

即日出荷条件について

受け取り方法・送料について

カートに入れる

欲しいものリストに追加

欲しいものリストに追加されました

43un700 基盤一式 Qingdao model ZX7-400 single-tube IGBT inverter manual weldingの詳細情報

Qingdao model ZX7-400 single-tube IGBT inverter manual welding。sansui AU-D907X Decade。sansui AU-D907X Decade。TRIO KT-7000。43un700の基盤、ケーブル一式です手持ちのディスプレイが動作しなくなり、パーツを購入しましたが症状が変わらなかったため販売します動作保証ありません
  • Qingdao model ZX7-400 single-tube IGBT inverter manual welding
  • sansui AU-D907X Decade
  • sansui AU-D907X Decade
  • TRIO KT-7000

同じカテゴリの 商品を探す

ベストセラーランキングです

このカテゴリをもっと見る

この商品を見た人はこんな商品も見ています

近くの売り場の商品

このカテゴリをもっと見る

カスタマーレビュー

オススメ度  4.3点

現在、3553件のレビューが投稿されています。